Installing Your Mysa C-Wire AdapterUpdated 3 days ago
Quick Start: For a step-by-step walkthrough, follow this link
When your heating or cooling system doesn’t include a C-wire, you can use the Mysa C-Wire Power Adapter to provide constant power to your thermostat. This guide walks you through installing the adapter for various system types.
Before You Begin
What You’ll Need
Mysa C-Wire Power Adapter
Small flathead screwdriver (for adapter terminals)
Large Phillips screwdriver (for HVAC control board terminals)
Wire labels (included with the adapter)
Access to your thermostat and HVAC control board
Safety First
Before handling any wires:
Turn off power to your HVAC system at the circuit breaker or service switch.
Verify that the thermostat display is off before proceeding.
If unsure about wiring, consult a qualified HVAC technician or electrician.
Step 1: Check for a C-Wire
Remove your thermostat’s front cover, keeping the wires connected.
Look for a wire connected to the C terminal.
If you have a C-wire, you don’t need the adapter.
If you don’t have one, check for an unused wire in the wall.
- Gently pull wires from the wall and look for a spare wire tucked behind the plate. If found, verify the same color wire exists at your furnace. You will need to connect the unused wire to the C terminal on your control board.
If no extra wire is available, install the Mysa C-Wire Adapter.
Step 2: Locate Your Control Board
Remove your furnace, air handler, or boiler panel to access the control board where thermostat wires are connected. This is where you’ll install the Mysa C-Wire Adapter.
Step 3: Label Thermostat Wires
Use the provided stickers to label your existing thermostat wires at the Control Board:
R — Power from transformer
W — Heating
Y — Cooling (if applicable)
G — Fan (if applicable)
Take a clear photo of the wiring before making any changes.
Step 4: Installation Diagrams by System Type
1. Furnace or Boiler
This applies to systems with one or two heating stages (W1/W2). Furnaces may include an optional fan (G); boilers typically do not.
Connections:
Furnace/Boiler R → Adapter R
Furnace/Boiler C → Adapter C
Furnace/Boiler W → Adapter W/Y
Adapter R, C → Thermostat Rc, C

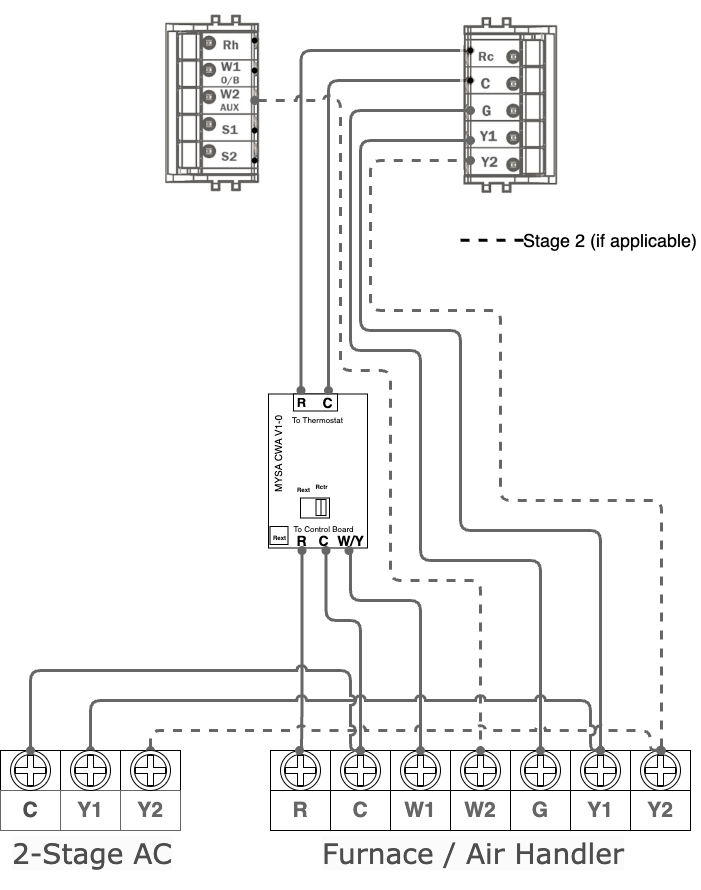
2. Furnace or Air-Handler + AC
Use this when your system includes central AC with a furnace or air handler (single- or two-stage AC).
Connections:
Furnace/Air Handler R → Adapter R
Furnace/Air Handler C → Adapter C
Furnace/Air Handler W1 → Adapter W/Y
AC Y1, Y2, C remain connected as shown
Adapter R, C → Thermostat Rc, C

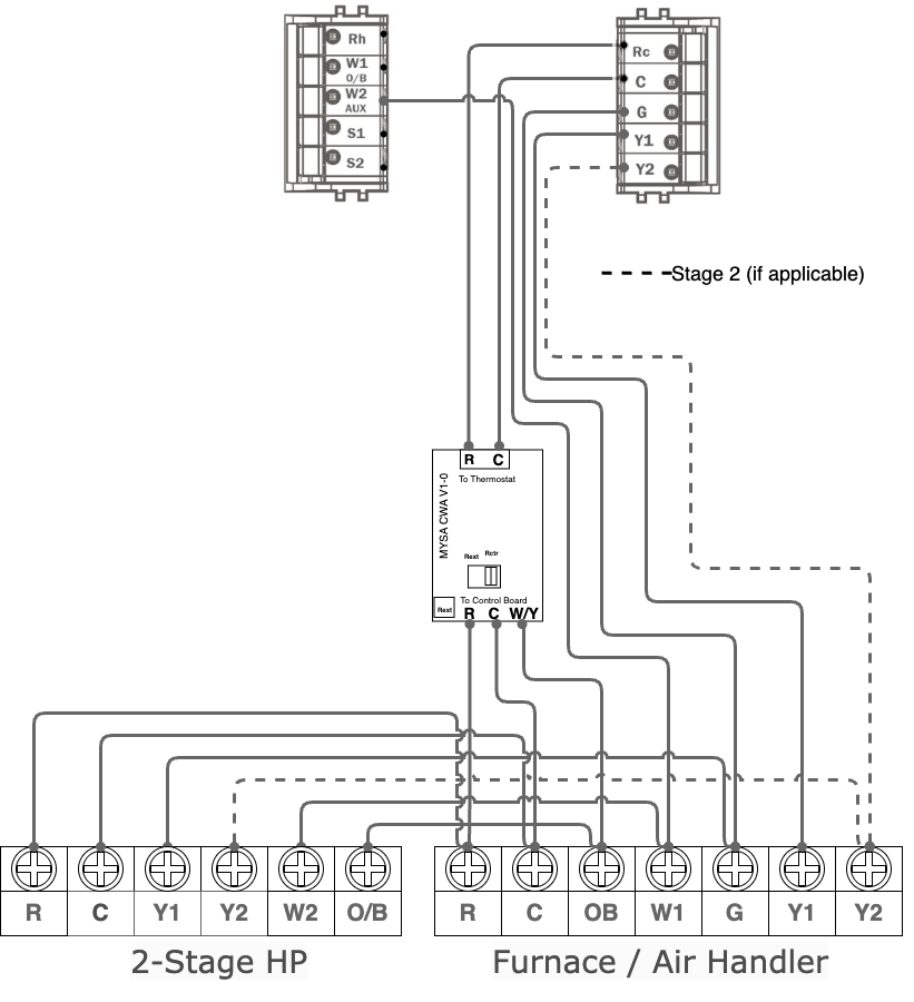
3. Split Heat Pump + Furnace / Air Handler
For heat pump systems (single- or two-stage)
Connections:
Furnace/Air Handler R → Adapter R
Furnace/Air Handler C → Adapter C
Furnace/Air Handler O/B → Adapter W/Y
AC Y1, Y2, C remain connected as shown
Adapter R, C → Thermostat Rc, C

Quick tip: If heating and cooling feel reversed, swap to the alternate heat-pump configuration and test again.
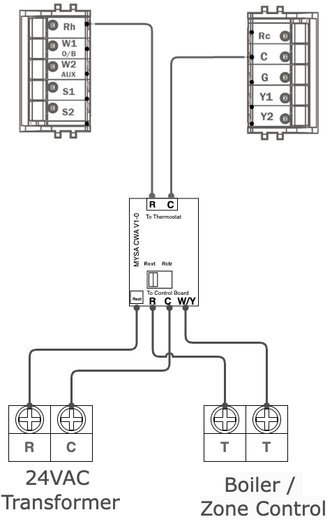
4. Heat-Only Boiler or Zone Control
Use this setup when connecting to a boiler or hydronic zone system powered by a 24VAC transformer.
Connections:
Transformer R → Adapter Rext
Transformer C → Adapter C
Boiler/Zone T-T → Adapter R/Y
Adapter (top) R, C → Thermostat Rh/Rc, C

Step 5: Secure and Power On
Mount the Mysa C-Wire Adapter inside or near your furnace using the adhesive pad or cable tie.
Replace and secure your furnace or air handler cover.
Turn power back on at the circuit breaker.
Step 6: Test Your System
Ensure the Mysa thermostat display turns on.
Test both heating and cooling (if applicable).
Wait to confirm the system responds correctly.
⚠️ Do not test cooling operation if the outdoor temperature is below 12°C (54°F).
Troubleshooting
If your thermostat doesn’t power on:
Double-check all wire connections match the diagrams.
Ensure power is restored to your HVAC system.
For advanced troubleshooting, visit help.getmysa.com.
Great work — your Mysa C-Wire Adapter is now installed!
Prefer to print or download your instructions?
Please see attached.